产品属性
| 品牌 | 华奥DHA | 批号 | 25+ |
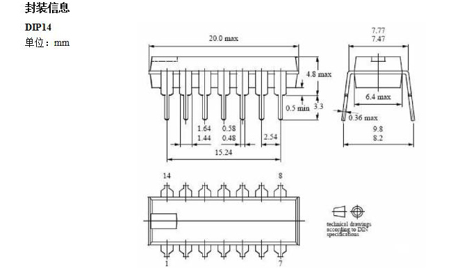
| 封装 | DIP14/SOP14 | 仓库 | 丹东 |
交易说明:
- 厂家直销价格面议
产品详情
三端双向可控硅相位角控制器集成电路LD1185

成立于2011年,是专业从事汽车/摩托车专用集成电路(ASIC)和晶体管(TR)开发、设计、生产
的高科技企业。
LD1185完全替代MOTOROLA(摩托罗拉)的TDA1185A。


LD1185产品说明书





















销售经理:陈晓玲 电话:0415-6161121 手机:13941550338 QQ:254218618
销售经理:雷 云 电话:0415-6161228-17 手机:15942560290 QQ:1677431268
销售经理:岳溱栋 电话:0415-6161228-16 手机:13050308178 QQ:3320852355丹东华奥电子有限公司官网:http://www.huaaoe.com/
______________________________________________________________






































