产品属性
| 品牌 | 华奥DHA | 批号 | 24+25+ |
| 封装 | DIP16SOP16 | 仓库 | 丹东 |
交易说明:
- 厂家直销价格面议
产品详情
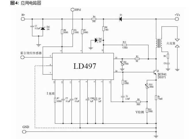
汽车霍尔信号点火器集成电路LD497

成立于2001年,是专业从事汽车/摩托车专用集成电路(ASIC)和晶体管(TR)开发、设计、生产
的高科技企业。
LD497完全替代ST(意法半导体公司)的L497。


LD497产品说明书
















销售经理:陈晓玲 电话:0415-6161121 手机:13941550338 QQ:254218618
销售经理:雷 云 电话:0415-6161228-17 手机:15942560290 QQ:1677431268
销售经理:岳溱栋 电话:0415-6161228-16 手机:13050308178 QQ:3320852355丹东华奥电子有限公司官网:http://www.huaaoe.com/
______________________________________________________________






































